管式螺旋输送机是我公司特别推出的精细类输送设备,俗称绞龙,它采用密封管式的外形,整个传输过程可在一个密封的槽中进行,是现代化工农业各部门机械化运输工作的主要机组,可使运输工作减轻劳动强度,提高工作效率,应用范围很广。管式螺旋输送机适用于各行业,如建材、化工、电力、冶金、煤炭、粮食等行业,并能够水平、倾斜或垂直输送粉状、粒状和小块状物料,如煤、灰、渣、水泥、粮食等。







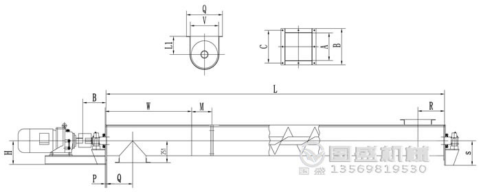
| 型号 | W | A | B | C | D | N | Q | Y | L | K | R | S | P | O | H | V | J | T | G | L |
| LS100 | 2500 | 100 | 180 | 146 | 10 | 4 | 180 | 190 | 90 | 112 | 180 | 112 | 60 | 178 | 120 | 160 | 14 | 163 |
1500 2000 2500 |
3500-40000 |
| LS160 | 2500 | 160 | 240 | 206 | 10 | 4 | 200 | 190 | 112 | 115 | 200 | 150 | 60 | 270 | 120 | 160 | 14 | 190 | ||
| LS200 | 3000 | 200 | 300 | 256 | 14 | 8 | 225 | 190 | 112 | 180 | 225 | 180 | 60 | 308 | 160 | 200 | 14 | 212 | ||
| LS250 | 3000 | 250 | 350 | 306 | 14 | 8 | 250 | 190 | 140 | 224 | 250 | 224 | 60 | 336 | 200 | 250 | 18 | 240 | 40000-80000 | |
| LS315 | 3000 | 315 | 425 | 370 | 14 | 8 | 330 | 190 | 214 | 280 | 390 | 250 | 60 | 443 | 300 | 350 | 20 | 340 | ||
| LS400 | 3000 | 400 | 500 | 456 | 14 | 8 | 3580 | 190 | 224 | 355 | 390 | 280 | 60 | 533 | 320 | 400 | 24 | 384 | ||
| LS500 | 3000 | 500 | 600 | 556 | 14 | 8 | 400 | 190 | 280 | 400 | 400 | 340 | 80 | 662 | 400 | 500 | 24 | 440 |
2000 2500 3500 |
5500-80000 |
| LS630 | 3000 | 360 | 730 | 686 | 14 | 8 | 450 | 190 | 355 | 500 | 450 | 420 | 80 | 763 | 500 | 630 | 24 | 555 | ||
| LS800 | 3000 | 800 | 920 | 868 | 18 | 16 | 550 | 340 | 450 | 630 | 550 | 520 | 80 | 970 | 632 | 800 | 30 | 650 | ||
| LS1000 | 3000 | 1000 | 1120 | 1068 | 18 | 16 | 650 | 360 | 560 | 710 | 630 | 630 | 80 | 1190 | 710 | 1000 | 30 | 760 | 6000-60000 | |
| LS1250 | 3000 | 1250 | 1370 | 1318 | 18 | 16 | 800 | 380 | 710 | 800 | 800 | 760 | 80 | 1440 | 800 | 800 | 30 | 910 |
| 型号 | 转速(r/min) | 输送量QΦ=0.33(m3/h) | 功率pd1=10m(kw) | 功率pd1=30m(kw) | 螺旋直径(mm) | 螺距(mm) |
| LS100 | 140 | 2.2 | 1.1 | 1.6 | 100 | 100 |
| LS160 | 120 | 7.6 | 1.5 | 2.8 | 160 | 160 |
| LS200 | 90 | 11 | 2.2 | 3.2 | 200 | 200 |
| LS250 | 90 | 22 | 2.4 | 5.3 | 250 | 250 |
| LS315 | 75 | 36.4 | 3.2 | 8.4 | 315 | 315 |
| LS400 | 75 | 66.1 | 5.1 | 11 | 400 | 355 |
| LS500 | 60 | 93.1 | 4.1 | 15.3 | 500 | 400 |
| LS630 | 60 | 160 | 8.6 | 25.9 | 630 | 450 |
| LS800 | 45 | 223 | 12 | 36 | 800 | 500 |
| LS1000 | 35 | 304 | 16 | 48 | 1000 | 560 |
| LS1250 | 30 | 458 | 24.4 | 73.3 | 1250 | 630 |
| 型号 | 转速(r/min) | 输送量QΦ=0.33(m3/h) | 功率pd1=10m(kw) | 功率pd1=30m(kw) | 螺旋直径(mm) | 螺距(mm) |
| LS100 | 120 | 1.9 | 1.0 | 1.5 | 100 | 100 |
| LS160 | 90 | 5.7 | 1.3 | 2.3 | 160 | 160 |
| LS200 | 75 | 18 | 2.1 | 4.5 | 200 | 200 |
| LS250 | 75 | 18 | 2.1 | 4.5 | 250 | 250 |
| LS315 | 60 | 29.1 | 2.9 | 7 | 315 | 315 |
| LS400 | 60 | 52.9 | 4.1 | 8.9 | 400 | 355 |
| LS500 | 45 | 69.8 | 4.7 | 11.6 | 500 | 400 |
| LS630 | 45 | 125 | 6.8 | 20.4 | 630 | 450 |
| LS800 | 35 | 174 | 9.4 | 28.3 | 800 | 500 |
| LS1000 | 30 | 261 | 14.1 | 42.2 | 1000 | 560 |
| LS1250 | 20 | 305 | 16.5 | 49.5 | 1250 | 630 |
| 型号 | 转速(r/min) | 输送量QΦ=0.33(m3/h) | 功率pd1=10m(kw) | 功率pd1=30m(kw) | 螺旋直径(mm) | 螺距(mm) |
| LS100 | 90 | 1.4 | 0.9 | 1.2 | 100 | 100 |
| LS160 | 75 | 4.8 | 1.2 | 2.2 | 160 | 160 |
| LS200 | 60 | 15 | 1.9 | 3.8 | 200 | 200 |
| LS250 | 60 | 15 | 1.9 | 3.8 | 250 | 250 |
| LS315 | 45 | 21.8 | 2.5 | 5.4 | 315 | 315 |
| LS400 | 45 | 39.6 | 3.4 | 6.8 | 400 | 355 |
| LS500 | 35 | 54.3 | 4.3 | 9.2 | 500 | 400 |
| LS630 | 35 | 97. | 5.4 | 16 | 630 | 450 |
| LS800 | 30 | 149 | 8.1 | 22.4 | 800 | 500 |
| LS1000 | 20 | 174 | 9.5 | 28.6 | 1000 | 560 |
| LS1250 | 16 | 244 | 13.3 | 39.9 | 1250 | 630 |
| 型号 | 转速(r/min) | 输送量QΦ=0.33(m3/h) | 功率pd1=10m(kw) | 功率pd1=30m(kw) | 螺旋直径(mm) | 螺距(mm) |
| LS100 | 75 | 1.2 | 0.75 | 1.1 | 100 | 100 |
| LS160 | 60 | 3.8 | 1.1 | 1.8 | 160 | 160 |
| LS200 | 45 | 11 | 1.6 | 3.4 | 200 | 200 |
| LS250 | 45 | 11 | 1.6 | 3.4 | 250 | 250 |
| LS315 | 35 | 17 | 2.1 | 4.4 | 315 | 315 |
| LS400 | 35 | 1.7 | 3.1 | 5.6 | 400 | 355 |
| LS500 | 30 | 46.5 | 3.7 | 8 | 500 | 400 |
| LS630 | 30 | 73.0 | 4.6 | 14 | 630 | 450 |
| LS800 | 20 | 99.3 | 5.7 | 16.7 | 800 | 500 |
| LS1000 | 16 | 139 | 7.7 | 23.2 | 1000 | 560 |
| LS1250 | 13 | 199 | 11 | 33 | 1250 | 630 |

| 参数 | LS160 | LS200 | LS250 | LS315 | LS400 | LS500 | LS630 | LS800 | LS1000 | LS1250 |
| A1 | 246 | 306 | 356 | 444 | 528 | 658 | 794 | 960 | 1160 | 1410*1160 |
| A2 | 226 | 272 | 330 | 394 | 492 | 608 | 752 | 888 | 1090 | 1338*1090 |
| A3 | 180 | 220 | 270 | 334 | 420 | 524 | 660 | 800 | 1000 | 1250*1000 |
| H1 | 75 | 100 | 120 | 140 | 160 | 160 | 180 | 180 | 200 | 200 |
| δ1 | 3 | 3 | 3 | 4 | 4 | 4 | 6 | 6 | 8 | 8 |
| n1 | 8 | 8 | 8 | 8 | 8 | 8 | 8 | 16 | 20 | 22 |
| Φ1 | 9 | 9 | 9 | 13 | 13 | 13 | 17 | 14 | 18 | 18 |
| B1 | 252 | 312 | 374 | 442 | 540 | 666 | 806 | 960 | 1160 | 1410*1160 |
| B2 | 226 | 272 | 330 | 402 | 496 | 608 | 752 | 888 | 1090 | 1338*1090 |
| B2 | 186 | 226 | 276 | 342 | 432 | 532 | 668 | 800 | 1000 | 1250*1000 |
| H2 | 135 | 165 | 195 | 225 | 280 | 340 | 430 | 520 | 630 | 760 |
| δ2 | 3 | 3 | 4 | 4 | 4 | 4 | 6 | 6 | 8 | 8 |
| n2 | 8 | 8 | 8 | 8 | 8 | 8 | 8 | 16 | 20 | 22 |
| Φ2 | 9 | 9 | 9 | 13 | 163 | 17 | 17 | 14 | 18 | 18 |
| R | 93 | 113 | 138 | 171 | 216 | 266 | 334 | 419 | 522 | 647 |


加工物料:石料
生产能力:300t/h
设备配置:YK型圆振动筛
查看详情
加工物料:建筑垃圾
生产能力:≤100m³h
设备配置:圆盘给料机
查看详情
加工物料:泥浆
生产能力:450m³/h
设备配置:YK1850-2P脱水筛
查看详情新乡市草莓污视频在线机械设备有限公司 豫ICP备51265542号-2 技术支持新乡志远网络公司 地 址:新乡市长济高速西出口